電装強化の巻
2009.3.1 一部の灯火類(ブレーキとスモール、メータライト)をDC化してみた。Reguratorのあとから供給するように配線を変えている。変更後の配線図はそのうち入れておきたい。Winkerのリレーのために配線されているDCラインを使い回している。一応、メインキーがついているのでキーをオフにすれば灯火類は消えるが、リレーとかでON/OFFさせていないので、スモールとメータライト、テールは常時点灯だ。まぁ、いいでしょう。ACでなくなったためチロチロと点滅する事なく、まえより明るくなった。
ほんとは、リレーかなんかで今の配線を極力変えないようにした方が、のちのち良いのは判っているのだが、とりあえず。
こいつは、相当電装が弱い、と思われる。Batteryはついとるのだが、セル始動のためだけについとる。ジェネレータは開けてみてないがReguraterは本当に小さい。納車のときにも言われたが、走っても国産車の様に充電しないようだ。購入して半年だが、セル始動しなくなりすでに2回補充電している。ライトも35Wながら、6V車の様な暗さだ。たぶんジェネレータが小さいんだろうな、走行中も電圧変動が大きくてライトが暗くなったりする。
レギュレータものこんなだ。ちなみに、これはDioBajaのレギュレータと同じもので、回路構成もほぼ同じだ。要するに灯火類はAC動作だ。
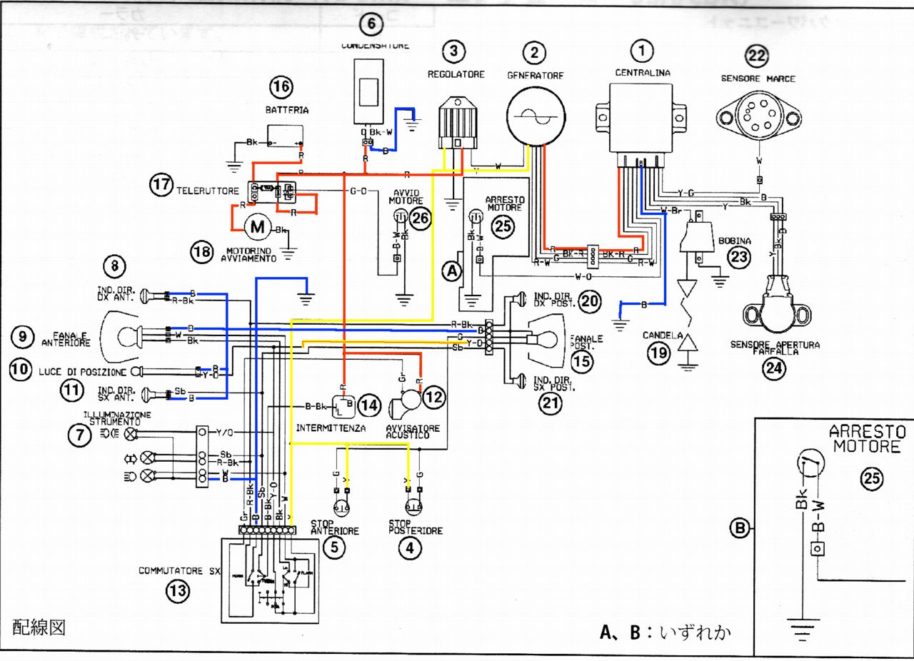
つうことで、余分な電力を極力省エネしようと思い、ライト類のLED化を試みようと思う。配線図も書いておく。
メータパネル(1.2Wx2+2Wx1 -> 0.02Wx3)
メータパネルには3つのランプ(5W球)が備わっている。ライトON、ハイビーム、Winkerである。φ3の日亜科学の白色LEDとウェッジベースそれにカーボン抵抗、逆流防止ダイオードで構成した。通常LEDには20mA程度流すのだがそれでは明るすぎるのでCut&Tryで電流を絞り約5mA(制限抵抗は2KΩ)とした。
Winker部は、左右のWinkerで球に逆向きの電流が流れる配線になっているので、仕方なく、LEDの2個使いの回路構成とした。


LEDってスポット的に光るんだ。わかってたけど、だから、美しくない。目的は省エネなんで許せ。
メータ照明
2009.1.25 振動でワイヤがキレたときにどういう訳か壊れてしまったので、作り直しました。前回はLED2灯でしたが、3灯にして、明るさをしぼりました。以前より視認性が良くなりました。どうせ、夜は走らないんで、どうでもいいのですが。。。。シリコンで固着して振動でとれないようにしました。
![]() |
![]() |
| 点灯中 | シリコンで固着。接続はギボシに変更。 |
2007.4.21 メインSW後のDC電圧側に接続するように変更した。ちろちろせず明るく点灯するようになったが、キーをONにするだけで点灯してしまうのが難である。これをライトONで点灯するようにするには、回路図にあるYellowワイヤ(AC半波整流)のラインの一部(ヘッドライト以外)をレギュレータ出力(DC)に変更する必要がある。いずれやるつもりだが、ちょっと簡単ではない。
メータを光らせる物がなく、暗いところではメータは全く見えない。そこで、このちゃりんこメータの丈夫にある樹脂を利用してLED2球埋め込んでみた。下の写真、今回は成功と言えるかも・・・もともとなかったものなので、そこそこ視認性も良くメータ周りがスコーし明るい感じでよろしい。

写真だとわかんないんだが、速い周期で点滅しているように見える。バッテリで平滑しているはずなんだがレギュレータの容量が小さくリプルになっているんだろうなとは思うが、オシロスコープがあればいいんだけどなぁ。60Mで12万ぐらいだが、高いなー。買うか?
ヘッドライトの小球(5W -> 0.02W)
2009.3.1 乱反射させるのにLEDの向きを横向きにして高輝度で広角度のものを固定して付けてみました。
口金とほぼ同じ大きさにしておかないとライトの装着口に入らなくなってしまうのと、長くしすぎると内部のヘッドライトにあたってしまうので、この大きさが限界です。3このLEDを使いました。使ったのは日亜のFlux LEDという、2.7ルーメンのものです。レンズが大きいのと指向角度が80度と広い。30mA定格なので、0.1W程度ですが、回転数によって電圧に変動が有るようなので10mAぐらいしか流してません。制限抵抗と一緒にエポキシ接着剤で固めてしまいましたが、もっと流すようにしておけばよかったかも。

案外、明るく光っているでしょう。実は、ヘッドライト以外の灯火類をReguratorのあとから配線するように変えたからです。
---
昔のバイクの様に、ヘッドライトの中にスモールがついてんだよ。

指向角60度物を3個で構成したのが、みた感じ失敗っぽいわ。やっぱ意識的に乱反射させる工夫が必要やね。暗い林道を走った時に明るさを見てみたんだが、ちょっと使えないかなーって感じ。暗いというか、ライトが光っていないのよ。光っているのはPN接合の1pointだけって感じ・・・・
テールライト(5W/21W -> 0.4W/0.9W)
これはうまくいった方かも・・・・テールは6個で、ブレーキで+6個としたが、フィラメントと似た感じに光ってる。テールのうち2個はナンバー灯のため下側に向いているので、実質テール=4個。Wフィラメントではブレーキ時は21Wになるが、LEDでは0.9Wである。


夜間だと、まぁそこそこ。昼間だとちょっと暗いかな。まぁいいや、どうせ山しか走らんから・・・・
ヘッドライト
LEDでヘッドライトの代用はできそう?これをしている人は見かけないけど。
車検の光軸のことを考えると無理そう。




