softdev:lcddisp
キャラクタLCDを制御
制御方法は、データシートを見ればわかると思う。初期化が必要で、その後のデータ送信がわかれば、特に難しくないと思う。RAMのデータを読み出したりして使う事も出来るようであるが、コマンド処理時間を考慮しつつ基本はデータを垂れ流しでも問題ない。液晶モジュールに搭載されているコントローラにより、制御方法などが若干違うようだが基本は同じである。
通常データ線は8bitあり、これにレジスタバンク設定とR/W信号と、コマンド有効信号となり、11本のデータ線があれば制御できるが、少ピンマイコン(でなくても)全部ポートを占有するような事はしないでしょう。ちなみに4bitごとデータを送る方法もあります。それでも、7本はいる。
尚、コントローラには、シリアル接続する方法も書かれている。この方法を使えば、シリパラ変換を接続しなくとも3Wireで接続できる。(やった事が無いので。。)
キャラクタLCDの制御線
だいたい、どれも同じようで、下の表のようになっておる。
| Signal | Function |
|---|---|
| RS0 | レジス選択信号 |
| R/W | Read/Write選択信号 |
| E | データ Enable信号 |
| DB0 | データ LSB |
| DB2 | データ |
| DB3 | データ |
| DB4 | データ |
| DB5 | データ |
| DB6 | データ |
| DB7 | データMSB |
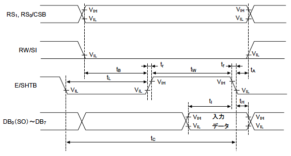
- RS信号は、レジスタセレクトでだいたい、制御コマンドの時はRS=0、データのR/WにはRS=1となる。
- R/Wは、Read時=0、Wirte時=1を書く。しかしデータ垂れ流しで普通制御するから、R/Wは常に0で良いと思う。
- Eはデータをラッチする信号
RSとR/WにE↑のsetupがあるのと、データはE↓でSetup/Holdの規定がある。
softdev/lcddisp.txt · 最終更新: by 127.0.0.1

