softdev:lcddisp
文書の過去の版を表示しています。
キャラクタLCDを制御
制御方法は、データシートを見ればわかると思う。初期化が必要で、その後のデータ送信がわかれば、特に難しくないと思う。RAMのデータを読み出したりして使う事も出来るようであるが、コマンド処理時間を考慮しつつ基本はデータを垂れ流しでも問題ない。液晶モジュールに搭載されているコントローラにより、制御方法などが若干違うようだが基本は同じである。
通常データ線は8bitあり、これにレジスタバンク設定とR/W信号と、コマンド有効信号となり、11本のデータ線があれば制御できるが、少ピンマイコン(でなくても)全部ポートを占有するような事はしないでしょう。ちなみに4bitごとデータを送る方法もあります。それでも、7本はいる。
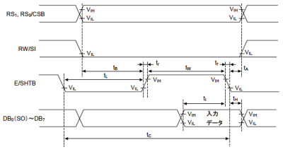
尚、コントローラには、シリアル接続する方法も書かれている。この方法を使えば、シリパラ変換を接続しなくとも3Wireで接続できる。(やった事が無いので。。)
キャラクタLCDの制御線
softdev/lcddisp.1331991431.txt.gz · 最終更新: (外部編集)

